Skip to content Skip to sidebar Skip to footer

How To Flush Tankless Hot Water Heater : Place the hot water drain hose back into the empty bucket and open the cold water main valve.

How To Flush Tankless Hot Water Heater : Place the hot water drain hose back into the empty bucket and open the cold water main valve.. Close the cold water service port and remove the hose. Of course the company that installed it started calling promptly at year 3. Werkzeug und baumaterial für profis und heimwerker. The times you realize how important it truly is can often be when it isn't working or is backed up. If the water heater uses a gas heater, rotate the gas.

Open the hot and cold service ports and turn on the pump. Turn off the electricity to the unit at the circuit breaker. Use 2.5 gallons (9.46 liters) of undiluted white vinegar to clean your tankless water heater at all times instead of chemical solutions. Now, you can turn on the cold water tap and let the water inside the tankless water heater. Assemble your own kit with these parts.

How To Flush A Tankless Water Heater Rinnai Youtube
How To Flush A Tankless Water Heater Rinnai Youtube from i.ytimg.com
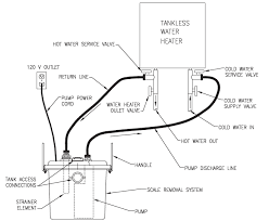
This process should be continued minimum of 1 hour to clean the junk thoroughly. Hot water to fixtures hot water isolation valve 5 gallon pail tankless water heater lime and scale flushing procedure for tankless water heaters. Heater beim führenden marktplatz für gebrauchtmaschinen kaufen Turn off the pump and pour the vinegar. We are on city water, but it is soft. Tankless water heaters are rapidly increasing in popularity. Assemble your own kit with these parts. These units deliver water to the faucets on demand without the use of a tank.

This is much less expensive in the long run.

Tankless water heaters are rapidly increasing in popularity. Plugin the pump & flushing the water heater with vinegar will be started. You can flush out a tankless hot water heater in about one hour. Pull this out and check that is it now clean. If the water heater uses a gas heater, rotate the gas. They instantly heat water as it flows through the device without the use of a storage tank. Use the service (isolation) valve and connect the circulation pump (such as a pond pump) to the cold water line (garden hose is ok). Werkzeug und baumaterial für profis und heimwerker. Place the hot water drain hose back into the empty bucket and open the cold water main valve. After descaling your tankless water heater, you need to reset the unit to make it usable again. The circulation pump is used to force the flushing solution through the heater. If using a bucket, empty as necessary. Flush for at least five minutes or until 20 gallons of water have passed through the heater.

Now, you can turn on the cold water tap and let the water inside the tankless water heater. These deposits can restrict the water flow and degrade the performance of. Once the hot water starts flowing out, close the cold water valve. This video shows how to flush a tankless water heater using vinegar as recommended by the heater manufacturer. To make sure your water heater is working properly, you have to make sure to flush it out to ensure it works at its best capacity.

Rheem Flush Kit For Tankless Water Heaters Rtg20124 The Home Depot
Rheem Flush Kit For Tankless Water Heaters Rtg20124 The Home Depot from images.thdstatic.com
Allow the water to finish draining and remove the second hose. This video is a how to on performing annual maintenance or descale, flushing, flush of a tankless water heater. I think the generic recommendation is to flush the tank every 3 to 5 years. We are on city water, but it is soft. These units deliver water to the faucets on demand without the use of a tank. Of course the company that installed it started calling promptly at year 3. Below are instructions for the use of service valves for the draining and flushing of a eccotemp tankless water heater. Plugin the pump & flushing the water heater with vinegar will be started.

The pump should start running and there should be vinegar coming out of the hot water hose side of the water heater returning into the bucket.

Werkzeug und baumaterial für profis und heimwerker. Close the cold water service port and remove the hose. Why install a tankless water heater? Tankless systems use up to 30 to 50% less energy than tank units because they eliminate the need to hold water in a storage tank. This is much less expensive in the long run. Of course the company that installed it started calling promptly at year 3. We had a rinnai installed 4 years ago. Place the hot water drain hose back into the empty bucket and open the cold water main valve. Electric tankless water heater flushing procedures if your tankless water heater has isolation valves with service ports in place, you should follow the flushing steps above for gas tankless systems. The circulation pump is used to force the flushing solution through the heater. Heater beim führenden marktplatz für gebrauchtmaschinen kaufen If using a bucket, empty as necessary. If the water heater uses a gas heater, rotate the gas.

I think the generic recommendation is to flush the tank every 3 to 5 years. Below are instructions for the use of service valves for the draining and flushing of a eccotemp tankless water heater. Close the hot water service port. Although the tankless water heater comes with the convenience of being cheaper and needing less space, it doesn't mean that it does not require any maintenance. Turn off the electricity to the unit at the circuit breaker.

How To Maintain A Tankless Water Heater 12 Steps With Pictures
How To Maintain A Tankless Water Heater 12 Steps With Pictures from www.wikihow.com
Because with time, your water heater will accumulate many scalps, which will make it harder for it to work correctly… knowing how one can flush their gas or electric tankless water heater can boost the lifespan and efficiency of your. Pour the vinegar into the bucket and plug the pump into the electrical outlet to turn it on. How often to flush tankless hot water heater. Open the hot and cold service ports and turn on the pump. We had a rinnai installed 4 years ago. Once the hot water starts flowing out, close the cold water valve. Learn the proper way to flush and maintain a rinnai tankless water heater. Turn off the power (both electricity and gas) to your tankless heater.

Turn off the pump and pour the vinegar.

Flush a mixture of about 4 gallons of vinegar through the system, then connect a hose to the second service valve. This video shows how to flush a tankless water heater using vinegar as recommended by the heater manufacturer. Place the hot water drain hose back into the empty bucket and open the cold water main valve. How often to flush tankless hot water heater. Tankless systems use up to 30 to 50% less energy than tank units because they eliminate the need to hold water in a storage tank. To make sure your water heater is working properly, you have to make sure to flush it out to ensure it works at its best capacity. If the water heater is indoor, be sure to place the bucket beneath the flow of the water. You should find the small screen on an underside of your tankless water heater that can remove a screw. Turn the power off (electricity and gas) to your tankless heater. Heater beim führenden marktplatz für gebrauchtmaschinen kaufen Close the cold water service port and remove the hose. This procedure will flush out the heater with fresh cold water. Werkzeug und baumaterial für profis und heimwerker.